- 技术文章
Acrel-1000DP光伏监控系统在4.03MW分布式光伏10KV并网系统的应用
2024-09-10 16:39:21 来源:安科瑞陈芳芳 摘要:随着我国社会的不断进步,经济得到迅速的发展,城市化进程也逐渐加快。城市电力配电网络的供电压力逐渐增加,传统的发电技术已经不再适用于目前城市电力配电的发展现状。传统发电技术电力转化的效率比较低,对空气的污染也比较大,不利于城市环境的保护以及经济的持续发展。分布式光伏发电作为一种可再生能源技术,得到了越来越广泛的应用。本项目旨在利用分布式光伏发电技术,实现自发自用、余电上网,提高能源利用效率,降低能源成本,同时减少对传统能源的依赖,促进可持续发展。
关键词:分布式光伏;自发自用,余电上网;可持续发展;1.概述
我国拥有丰富的清洁可再生能源资源储量,积极开发利用可再生能源,为解决当前化石能源短缺与环境污染严重的燃眉之急提供了有效途径[1]。但是可再生能源的利用和开发,可再生能源技术的发展和推广以及可再生能源资源对环境保护的正向影响,却远远没有达到理想的水平。大力开发太阳能、风能等新能源和可再生能源利用技术将成为减少环境污染的重要措施[2]。
光伏发电主要包括集中式光伏发电和分布式光伏发电两类。集中式光伏发电一般为大型地面光伏电站;分布式光伏发电主要指小型分散式光伏电站,其应用形式主要为屋顶分布式光伏发电[3]。集中式光伏电站的投资大、建设周期长、占地面积大;而分布式光伏电站的投资小、建设周期短、政策支持力度大且选址自由等,本项目采用分布式光伏发电的运行方式,在厂区的屋顶进行安装光伏发电设备进行发电。
本项目采用高效光伏组件,总容量为4.03WM,本项目电量结算原则为:自发自用,余电上网。项目计划2024年6月底建成投产。选用Acrel光伏二次设计方案,国产麒麟操作系统下的光伏监控平台具备智能监控、保护装置具有稳定可靠等特点。配置适配的逆变器,将光伏组件产生的直流电转换为交流电,以满足并网要求。本项目的实施将为当地提供清洁、可再生的电力能源,有助于减少对传统能源的依赖,降低碳排放。
图1 项目现场图2.系统结构
现场设备主要分为三部分,就地高压柜、二次保护装置柜、箱变。就地高压保护装置根据不同功能安装在对应的高压柜对电力进行保护。二次保护装置柜配备防孤岛保护,公共测控装置、频率电压紧急控制装置、电能质量装置,对时装置以及采集上传设备,二次保护装置主要对一次设备进行保护、厂站内的数据采集与调度上传。箱变安装有数采仪对逆变器的数据进行采集。
本项目modbus、IEC60303-3-103、IEC60870-5-104相结合的方式对数据进行采集传输。就地高压柜保护通过modbus-TCP协议进行数据传输,二次保护柜使用了modbus-485、IEC60303-3-103、modbus-TCP三种协议进行数据传输,箱变数采仪使用了IEC60870-5-104协议采集逆变器数据。
项目对时:本项目采用GPS与北斗两种卫星进行对时,保证了项目设备对时的准确性。对时装置利用以太网连接入站控层交换机从而完成对监控主机与远动上传装置的对时,利用IRIG-B通过接线的方式对就地保护、二次保护柜装置、支流屏等装置进行对时,保证设备时间的一致。
监控平台:配备了一套变电站综合自动化系统软件(Acrel-1000DP光伏监控系统)在国产麒麟操作系统的环境下实现了对现场保护设备和仪表设备的数据监视与管理,可以实时监测分布式光伏发电系统的电压、电流、功率等参数,可以通过网络将数据传输到监控中心。远程控制:可以通过监控中心对分布式光伏发电系统进行远程控制,如断路器的分合等。数据分析:可以对监测到的数据进行分析,如发电量、能耗等,为用户提供决策支持。报警功能:可以设置报警阈值,当系统出现异常情况时,会及时发出报警信号,提醒用户进行处理。
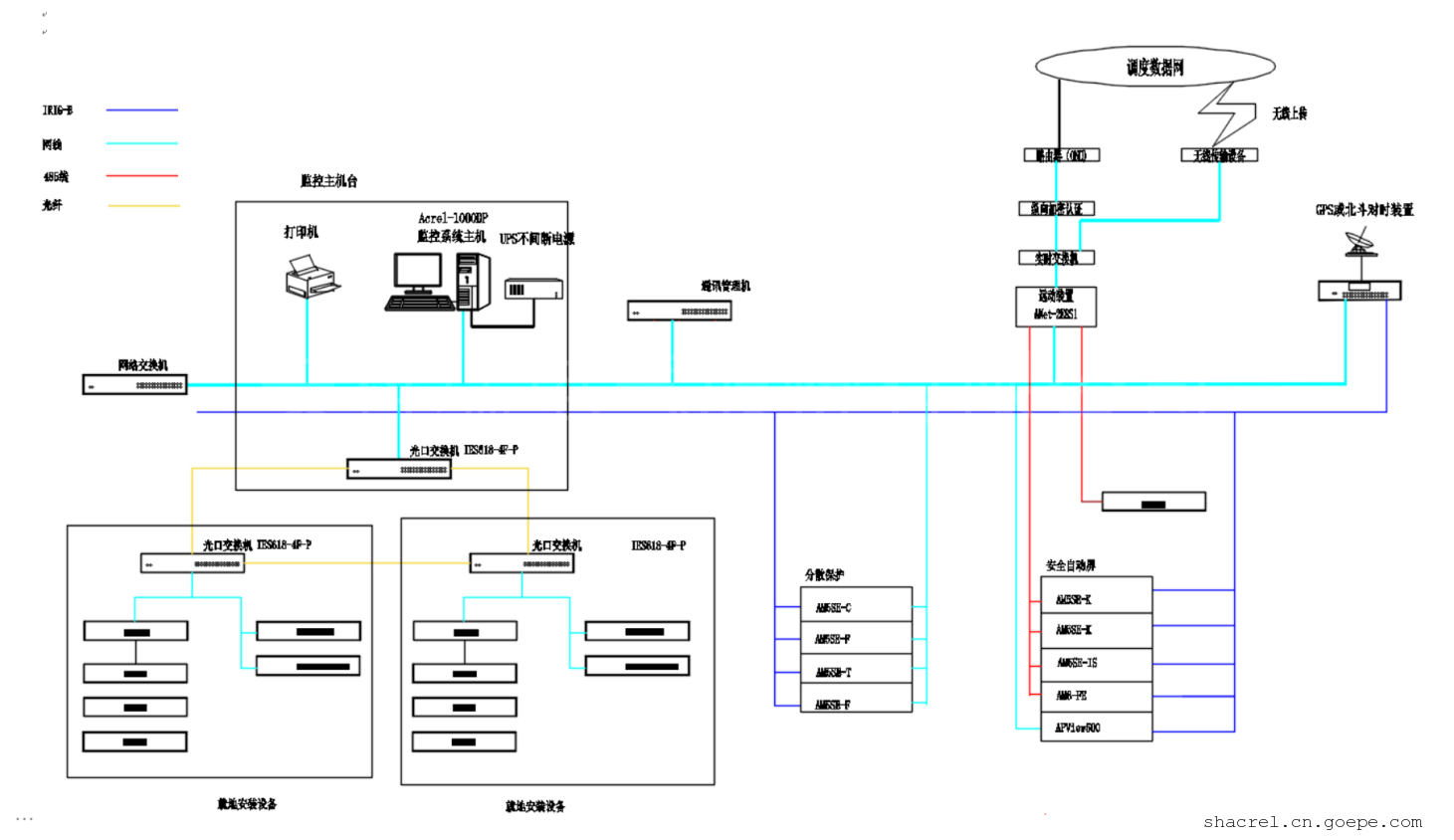
图2 监控系统网络结构图3.解决方案
3.1.方案综述
项目为屋顶分布式光伏项目,该项目的容量为4.03MW,项目采用自发自用余电上网的消纳方式。利用原有的电源点作为光伏高压并网点并入电网端,并网点设置光伏进线柜柜,站用变柜,SVG柜,PT柜,计量柜,出线总柜,并网柜。新增的光伏系统配置自动化系统,实时采集并网信息,信息上传至当地调控中心DMS系统。光伏发电逆变器电源电压为1000V,经箱变升压变升压至10kV后,通过高压电缆接入新增的10kV光伏进线柜,通过并网柜并入原10kV市电高压柜。项目采用Acrel-1000DP光伏监控平台,操作使用了国产麒麟系统。监控平台具有对全站数据的实时观测、事故告警提示等功能。
图3 光伏电站一次系统图3.2.功能需求
3.2.1.继电保护及安全自动装置需求
分布式电源继电保护和安全自动装置配置应符合相关继电保护技术规程、运行规程和反事故措施的规定,装置定值应与电网继电保护和安全自动装置配合整定,防止发生继电保护和安全自动装置误动、拒动,确保人身、设备和电网安全。10kV接入的分布式电源,保护和安全自动装置配置还应满足《继电保护和安全自动装置技术规程》(GB/T14285-2006)。
1.线路保护装置:光伏电站线路发生短路故障时,线路保护能快速动作,瞬时跳开相应并网点断路器,满足全线故障时快速可靠切除故障的要求。
2.电容器保护装置:在高压配电室10kVSVG柜,装设1套电容器保护装置,实现欠电压,过电压,零序电压,不平衡电压保护,异常紧急控制功能,跳开电容器断路器。
3.防孤岛保护装置:防孤岛检测需满足GB/T19964-2012《光伏发电站接入电力系统技术规定》、Q/GDW617-2011《光伏电站接入电网技术规定》等规范文件的要求。分布式电源应具备快速监测孤岛且立即断开与电网连接的能力,防孤岛保护动作时间不大于2S,其防孤岛保护应与配电网侧线路重合闸和安全自动装置动作时间相配合。针对电网失压后分布式电源可能继续运行、且向电网线路送电的情况提出。孤岛运行一方面危及电网线路维护人员和用户的生命安全,干扰电网的正常合闸;另一方面孤岛运行电网中的电压和频率不受控制,将对配电设备和用户设备造成损坏。防孤岛装置应具备线路故障时,确保电源能及时断开与电网连接,确保重合闸能正确动作。
4.光伏电站内需具备直流电源,供10kV保护及测控装置,电能质量在线监测装置等设备使用。光伏电站内需配置交直流一体化电源,供关口电能表、电能量终端服务器、交换机等设备使用。系统继电保护应使用专用的电流互感器和电压互感器的二次绕组,电流互感器准确级宜采用0.2S、10P级,电压互感器准确级宜采用0.2、3P级。
5.光伏电站本体应具备故障和异常工作状态报警和保护的功能。
6.光伏电站应支持调度机构开展"四遥"(遥测、遥信、遥控、遥调)应用功能。
7.恢复并网:当光伏发电系统因电网扰动脱网后,在电网电压和频率恢复到正常运行范围之前,光伏发电系统不允许并网;在电网电压和频率恢复正常后,通过10kV电压等级并网的分布式电源恢复并网应经过电网调度机构的允许。3.2.2.调度自动化需求
光伏电站应满足江苏电力调度控制中心关于印发《发电企业自动化系统接入配置指导意见》的通知(电调〔2018〕40号)有关自动化规定:10kv接入的分布式电源,信息采集、控制调节等应满足江苏电力调度控制中心关于印发《光伏电站接入电网技术规定》(Q/GDW617-2011)、《光伏发电站接入电力系统技术规定》(GB/T19964-2012)要求。光伏电站投运后,由区调调度,并由区级供电公司对运行进行管理。因此,需建立光伏电站至区调的调度通信以及运动等信息和数据传输通道。
10kv光伏电站本体需配置配电自动化终端监控系统,具备与电网调度机构进行双向通信的能力,能够实现远程监测和控制功能,应能接收、执行调度端远方控制解/并列、启停和发电功率的指令,具备群调群控及远动功能,有关光伏电站本体信息的采集、处理采用监控系统来完成,具备符合相关标准通信协议的远传功能。光伏电站配电自动化终端监控系统实时采集并网运行信息,主要包括主断路器状态、并网点开关状态(具备遥控功能)、并网点电压和电流、光伏发电系统有功功率和无功功率、光伏发电量、频率等,上传至市供电公司配网自动化系统主站,再由市供电公司调度中心将数据下发至县调,当调度端对分布式电源有功功率和无功电压有控制要求时,就地监控系统应能够接收和执行上级调度主站系统的控制命令。3.2.3.电能质量在线监测需求
太阳能光伏发电系统通过光伏组件将太阳能转化为直流电位的正弦波电流,并入电网,在将直流电能经逆变转换为交流电能的过程中,可能会产生大量谐波及直流分量。
根据《光伏电站接入电网技术规定》(Q/GDW617-2011)、江苏省电力公司《光伏电站接入系统导则(2010年版)》及《分布式电源接入系统典型设计》(国家电网公司)规定,为保证对电能质量的有效监控,光伏电站侧、宿迁市城区开发投资有限公司10kV配电房侧配置1套满足GB/T19862《电能质量监测设备通用要求》的A类电能质量监测装置,用于分布式光伏项目的电能质量指标的监测。
电能质量在线监测数据需上传至相关主管机构。
3.3.配置设备清单
表1我司提供方案设备列表
设备名称 型号 数量 功能 本地监控台(1台) Acrel-1000DP分布式光伏监控主机 1 集中采集、监视、管理站内二次设备、逆变器数据与运行状态 安全自动装置屏(1面) AM5SE-K公用测控装置 2 实现电参量遥测、开关状态与告警信号遥信功能 AM5SE-IS防孤岛保护装置 1 保护电力系统的稳定运行,能迅速切断于故障源的连接,防止事故扩大,保障电力设备和人员的安全。 APView500电能质量在线监测装置 1 采集监测谐波分析、电压暂升/暂降/中断、闪变监测、电压不平衡度、事件记录、测量控制 AM6-FE频率电压紧急控制装置 1 实现变电站低周低压减载控制 远动通讯屏 ONU 1 为实现与调度104的通讯通供通道 三层交换机 1 本地数据的通信组网 ANet-2E8S1远动装置 1 负责数据的上传调度 工业级机架式二层以太网交换机 1 本地数据的通讯组网 GPS时钟 1 按照用户输出符合规约的信息格式,完成同步授时服务 方天采集终端 1 实现项目AGC功能,提供与调度的104与101通道 一体化电源配置 UPS柜 1 供UPS不间断电源 交流柜 1 为装置提供交流电源 蓄电池柜 1 存储电能提供备用电源 分散安装 AM5SE-C电容器保护装置 1 具有两段式定时限过流保护,反时限保护,欠电压保护,过电压保护等功能对电容器进行保护 AM5SE-F线路保护测控装置 2 具有三段式过流保护,重合闸,过负荷告警、跳闸,过电压告警、跳闸等功能对线路进行保护 AM5SE-T配电变保护测控装置 1 具有三段式过流保护,两段零序过流保护,过负荷保护,高温超温保护,瓦斯保护等保护功能 3.4.现场应用图
图4 光伏电站屏柜布置图
图5 直流屏柜布置图
图6 光伏电站监控主机台布置图4.系统功能
4.1.电能质量监视
在电能质量监控图中,可以直接查看电能质量装置的运行状态、电流电压总有效值、电压波动、电压总畸变、正反向有功电能、有功、无功功率等电能质量信息。可以根据这些信息监测现场电能的质量,及时的做出应对方案。
图7 电能质量监视界面图4.2.网络拓扑图
系统支持实时监视接入系统的各设备的通信状态,能够完整的显示整个系统网络结构;可在线诊断设备通信状态,发生网络异常时能自动在界面上显示故障设备或元件及其故障部位。
图8 站内设备系统网络拓扑图4.3.主接线图
在此界面可以查看高压保护柜的电量参数,监视断路器和手车的状态,在远方状态时可以遥控断路器的分合,监视高压柜保护装置的参数,能够及时的发现异常,及时做出相应的处理。
图8 主接线界面图5.结语
光伏发电是我国重要的战略性新兴产业,大力推进光伏发电应用对优化能源结构、保障能源安全、改善生态环境、转变城乡用能方式具有重大战略意义[4]。分布式光伏发电应用范围广,在城乡建筑、工业、农业、交通、公共设施等领域都有广阔应用前景,既是推动能源生产和消费革命的重要力量,也是促进稳增长调结构促改革惠民生的重要举措。该项目的实施可以有效地推动可再生能源的发展,减少对传统能源的依赖,降低能源消耗和环境污染。通过分布式光伏的应用,我们成功实现了太阳能的*大化利用,为社会提供了清洁、可持续的电力供应。在未来的发展中,我们将继续努力,为推动可再生能源的发展和应用做出更大的贡献。同时,我们也将不断提高技术水平和管理水平,确保项目的顺利实施和运行,为社会和环境的可持续发展做出积极贡献。
参考文献
[1]张欣,分布式光伏发电项目综合效益评价研究[D].工程硕士论文,2014.
[2]刘鉴民,太阳能利用原理,技术工程[M].北京:化学工业出版社,2009.
[3]李明东,李婧雯主编,“双碳”目标下中国分布式光伏发电的发展和展望[J].2023.第五期.
[4]张国辉,分布式光伏发电项目后评价研究.[D].工程硕士论文,2015.
新发布























